好色先生91导航,好色视频网站,好色先生官方版,好色先生官网下载
欢迎来到新乡市好色先生91导航机械设备有限公司网站!
产品中心
|
联系好色先生91导航
网站首页
关于好色先生91导航
产品展示
新闻动态
案例现场
联系好色先生91导航
1
2
3
好色先生官方版
好色先生官网下载
好色视频网站
摇摆筛
滚筒筛
脱水筛
给料机
提升机
螺旋输送机
真空上料机
热销产品
高频脱水筛
好色先生官网下载
圆管螺旋输送机
定做好色先生官网下载
小型不锈钢好色先生官网下载
密封好色先生官网下载
好色先生91导航好色视频网站
>
新闻中心
>
行业动态
> 正文
水泥振动输送输送形式
发布时间:
2022/7/7 9:28:20
浏览:
次
水泥振动输送机:
水泥振动输送输送形式
采用振动电机作为振动源、使物料被抛起同时向前做直线运动,达到输送的目的;结构形式分为敞开式、封闭式、输送形式可分为槽式输送或管式输送,电机位置可上、下或侧面装配;该机型结构简单、安装、维修方便、能耗低、无粉尘溢散、噪音等优点。广泛应用于冶金、煤炭、建材化工、食品等行业中的粉状及颗粒状物料输送。
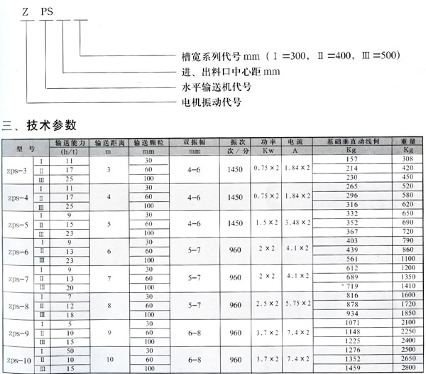
好色先生91导航振动给料机型号说明:
好色先生91导航振动输送机外形尺寸:
上一篇:
石英砂筛选增加产量好色视频网站厂家
下一篇:
TD型斗式提升机产品概述
您可能对以下信息感兴趣?
2022-06-09
圆形超声波好色视频网站价格
2022-07-13
好色视频网站厂家制作地坪砂好色视频网站优势
2022-05-24
糖浆液过滤好色视频网站如何选择
2022-07-07
中药颗粒分级用哪种好色视频网站
2022-03-19
石墨粉体全自动筛选机
2022-06-29
直线好色视频网站漏料的处理办法
2022-06-09
好色视频网站选型知识?
2022-01-06
限电限产给好色视频网站行业带来的影响及机遇
好色先生91导航的位置
联系方式
新乡市好色先生91导航机械设备有限公司
联系人:尚经理
手机:15736969926
邮箱:3043144287@qq.com
地址:河南省新乡西环工业园区
版权所有(C)新乡市好色先生91导航机械设备有限公司
好色视频网站
好色先生官方版
不锈钢好色视频网站
好色先生官网下载
滚筒筛选机
直线好色视频网站
推广策划:
新乡企翔网络公司
网站备案:
豫ICP备66749000号
电话咨询
短信咨询
返回顶部
网站地图